General Specification
- Step Angle Accuracy: ±5%(full step, no load)
- Resistance Accuracy: ±10%
- Inductance Accuracy: ±20%
- Temperature Rise: 80℃ max (rated current, 2 phase on)
- Ambient Temperature: -20℃~+50℃
- Insulation Resistance: 100MΩ min,500VDC
- Dielectric Strength: 500VAC for one minute
- Rotation: CCW
- Insulation Class: B(130℃)
Defination of Part number
28 | HSL | 33 | D | F | 53 | TRX |
Frame size | Liner hybrid stepper motor | Length | Step angle* | Lead wire** | Winding Type | Screw Type |
*: This code shows the stepper angle of the motor. M = 0.9°; D =1.8°.
**: This code shows the lead wire number of the motor, the detail code defination is: F = 4; V = 5; S = 6; E = 8.
Specifications
| Model | Length (mm) | Current (A) | Resistance (Ω) | Inductance (mH) | Holding Torque (N.m) | Rotor Inertia (g.cm²) | Lead wires/pins | Weight (g) |
| 28HSL33DF53 | 33 | 0.8 | 5.3 | 3.3 | 0.07 | 8 | 4 | 110 |
| 28HSL45DF78 | 45 | 0.8 | 7.8 | 5.4 | 0.12 | 11 | 4 | 140 |
| 28HSL48DF86 | 48 | 0.8 | 8.6 | 6.7 | 0.13 | 13 | 4 | 180 |
| Screw Diameter(mm) | Lead(mm) | Step Length(mm) | L2 |
| Tr3.5 | 0.3048 | 0.001524 | Customizable |
| Tr3.5 | 1 | 0.005 | Customizable |
| Tr3.5 | 4 | 0.02 | Customizable |
| Tr5 | 1 | 0.005 | Customizable |
| Tr5 | 2 | 0.01 | Customizable |
In-Depth Applications for the NEMA 11 Linear Stepper Motor
The 28HSL Series offers higher torque than the NEMA 8 series while maintaining a compact footprint. This balance makes this NEMA 11 linear stepper motor suitable for a wider range of industrial applications:
- Medical Instruments: Extensively used in syringe pumps and infusion pumps where the NEMA 11 linear stepper motor provides the necessary force to push fluids precisely and consistently.
- Textile Machinery: Ideal for yarn guide mechanisms and tension control systems that require rapid response and accurate linear positioning.
- Optical Stages: Drives precision translation stages and focusing equipment where smooth motion and high resolution are required.
- 3D Printers: Serves as a reliable Z-axis actuator for compact desktop 3D printers.
Customization
![]() | ![]() | ![]() | ![]() | ![]() | ![]() |
| Shaft | Encoder | Brake | Connector | Pulley | Gearbox |
| Item | Description |
|---|---|
| Shaft Extensions | Motors can be configured with single or double-ended shafts, manufactured to your specific length. |
| Encoder Options | We offer integration with various encoders to meet specific resolution and application needs. |
| Brake Options | Motors can be equipped with an optional brake, available with or without a manual hand release. |
| Cable Harnesses | Custom cable harnesses, with or without connectors, are available upon request. |
| Pulleys & Pinion Gears | Pulleys or pinion gears can be supplied and mounted to your specifications. |
| Gearbox Integration | Most motors can be paired with various gearbox types, including planetary, worm wheel, and parallel shaft gearboxes. |
Frequently Asked Questions (FAQ)
Q: How does this NEMA 11 linear stepper motor compare to the NEMA 8 version?
A: The 28HSL (NEMA 11) provides significantly higher holding torque (up to 0.13 N.m) compared to the NEMA 8 series, while only slightly increasing the frame size. This makes the NEMA 11 linear stepper motor a better choice for applications requiring more pushing force.
Q: What lead screw options are available?
A: We offer standard Tr3.5 and Tr5 lead screws for the 28HSL series. However, as a manufacturer, we can customize the lead and the length (L2) of the NEMA 11 linear stepper motor screw to match your specific speed and resolution needs.
Q: Does the motor come with a connector?
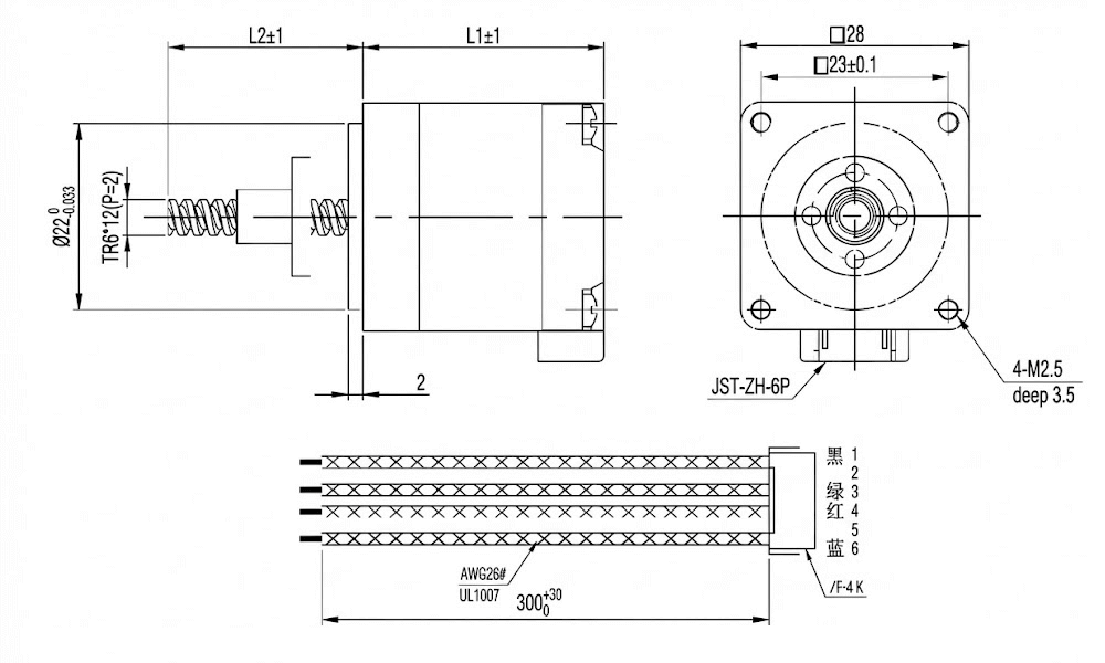
A: Yes, standard models typically come with a connector (e.g., JST-ZH-6P) or flying leads depending on the specific model configuration. Please check the drawing or contact us for custom wiring on your NEMA 11 linear stepper motor.
Q: What is the typical life expectancy?
A: The lifespan of a NEMA 11 linear stepper motor depends heavily on the load and duty cycle. With proper lubrication and operation within rated specifications, the motor is designed for long-term reliability in industrial environments.







