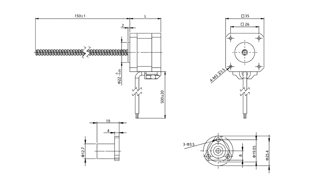
General Specification
- Step Angle Accuracy: ±5%(full step, no load)
- Resistance Accuracy: ±10%
- Inductance Accuracy: ±20%
- Temperature Rise: 80℃ max (rated current, 2 phase on)
- Ambient Temperature: -20℃~+50℃
- Insulation Resistance: 100MΩ min,500VDC
- Dielectric Strength: 500VAC for one minute
- Rotation: CCW
- Insulation Class: B(130℃)
Defination of Part number
35 | HSL | 34 | D | F | 1 | TRX |
Frame size | Liner hybrid stepper motor | Length | Step angle* | Lead wire** | Winding Type | Screw Type |
*: This code shows the stepper angle of the motor. M = 0.9°; D =1.8°.
**: This code shows the lead wire number of the motor, the detail code defination is: F = 4; V = 5; S = 6; E = 8.
Specifications
| Model | Length (mm) | Current (A) | Resistance (Ω) | Inductance (mH) | Holding Torque (N.m) | Rotor Inertia (g.cm²) | Lead wires/pins | Weight (g) |
|---|---|---|---|---|---|---|---|---|
| 35HSL34DF1 | 34 | 1.5 | 0.95 | 1.4 | 0.16 | 20 | 4 | 190 |
| 35HSL37DF19 | 37 | 1.5 | 1.9 | 3.2 | 0.25 | 30 | 4 | 230 |
| Screw Diameter (mm) | Lead (mm) | Step Length (mm) | L2 |
|---|---|---|---|
| Tr6.35 | 1.27 | 0.00635 | Customizable |
| Tr6.35 | 3.175 | 0.015875 | Customizable |
| Tr6.35 | 6.35 | 0.03175 | Customizable |
| Tr6.35 | 12.7 | 0.0635 | Customizable |
| Tr6.35 | 35.4 | 0.127 | Customizable |
Customization
![]() | ![]() | ![]() | ![]() | ![]() | ![]() |
| Shaft | Encoder | Brake | Connector | Pulley | Gearbox |
| Item | Description |
|---|---|
| Shaft Extensions | Motors can be configured with single or double-ended shafts, manufactured to your specific length. |
| Encoder Options | We offer integration with various encoders to meet specific resolution and application needs. |
| Brake Options | Motors can be equipped with an optional brake, available with or without a manual hand release. |
| Cable Harnesses | Custom cable harnesses, with or without connectors, are available upon request. |
| Pulleys & Pinion Gears | Pulleys or pinion gears can be supplied and mounted to your specifications. |
| Gearbox Integration | Most motors can be paired with various gearbox types, including planetary, worm wheel, and parallel shaft gearboxes. |







