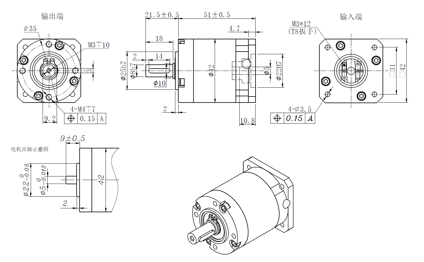
General Specification:
| Compatible Motor | φ5–10 / φ22–2 / F31–M3 |
| Reduction Ratio | i = ( ) : 1 |
| Rated Output Torque | T Nm |
| Stall Torque | 2T Nm |
| Rated Input Speed | 3000 min⁻¹ |
| Maximum Input Speed | 6000 min⁻¹ |
| Mounting Type | Any |
| Average Service Life | 20000 h |
| Backlash | ≤20 arcmin |
| Full Load Efficiency | 94% |
| Noise Level | ≤55 dB |
| Weight | 0.35 Kg |
| Protection Grade | IP54 |
| Lubrication | Long-lasting Lubrication |
| Operating Temperature | -10° ~ +90° |
Model Selection:
| Model | Gear Ratio | Rated Output Torque TN (Nm) |
| PLE42-012 | 12:1 | 10 |
| PLE42-015 | 15:1 | 10 |
| PLE42-016 | 16:1 | 12 |
| PLE42-020 | 20:1 | 12 |
| PLE42-025 | 25:1 | 10 |
| PLE42-028 | 28:1 | 10 |
| PLE42-035 | 35:1 | 10 |
| PLE42-040 | 40:1 | 10 |
| PLE42-050 | 50:1 | 10 |
| PLE42-070 | 70:1 | 10 |
| PLE42-100(L2) | 100:1 | 10 |


